НТЦ по электронным компонентам и современным технологиям. Autex SPb
   
Интернет-магазин
    Главная страница       Карта сайта    О фирме       Контакты       Библиотека       Продукция   

Датчики измерения малых токов ДМТ.
Датчики (преобразователи измерительные) предназначены для преобразования постоянного, переменного и импульсных токов небольшой величины с гальванической развязкой входной цепи цепей контроля.

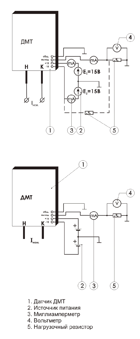
Техническая документация.  Схема подключения

Области применения:
  • Преобразователь измерительный малых токов ДМТ (далее – преобразователь) предназначен для преобразования малых токов постоянного и переменного токов в цепях, изолированных от питания и выхода;

    Датчики по согласованию с заказчиком могут поставляться со стандартным токовым выходом 4-20мА (0-20мА) или выходом "True RMS".


  • Прайс

    Основные технические характеристики:
    Характеристика ДМТ 10мА ДМТ 20мА ДМТ 40мА ДМТ 100мА ДМТ 400мА
    Диапазон измеряемых токов, А 0...0,01 0...0,02 0...0,04 0...0,1 0...0,4
    Выходной сигнал при номинальном измеряемом токе, мА * 40 80 10 25 20
    Допустимая перегрузка по измеряемому току, разы 1,5
    Основная приведенная погрешность, не более, % 1
    Диапазон рабочих температур,°С -20...+70
    Полоса пропускания, Гц 0-4000
    Напряжение питания, В ±15 (±5 %)
    Диаметр отверстия под токовую шину, мм в разрыв цепи
    Габаритные размеры, мм 73,5х52,5х39
    Масса, г 100
    По требованию заказчика возможно:
    * - возможно изготовление датчиков со стандартным токовым выходом 4/20 мА или TRUE-RMS
        Главная    Карта сайта    О фирме    Контактная информация    Библиотека    Продукция