![]() |
| Интернет-магазин | ||
| Главная страница Карта сайта О фирме Контакты Библиотека Продукция | ||
| Датчики измерения переменного напряжения ДНТ-051, ДНТ-053 |
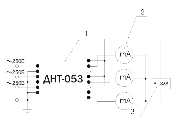
| ДНТ-051 предназначен для работы в однофазных цепях; ДНТ-053 - для работы в трехфазных цепях и содержит три независимых, гальванически изолированных канала, каждый из которых идентичен схеме датчика ДНТ-051. Питание преобразователей осуществляется по токовой петле 4/20 мА. Монтируются ДНТ на DIN-рейку. Техническая документация. Схема подключения Схема подключения Области применения: Датчики (преобразователи измерительные) предназначены для преобразования напряжения переменного тока в стандартный токовый сигнал 4/20 мА с гальванической развязкой входной цепи и цепей контроля. |
![]() |
| Основные технические характеристики: | ||
| Характеристика | ДНТ-051 | ДНТ-053 |
| Диапазон измеряемых напряжений, В | 0...50; 0...100; 0...250; 0...500 | 0...250 (трехфазное) |
| Допустимая перегрузка по измеряемому напряжению, разы | 1,3 | |
| Входной номинальный ток, Iном, мА | 1 | |
| Диапазон рабочих температур,°С | 0...+70; (-40...+70) | |
| АЧХ в пределах 1%, не более, кГц | 0,02...10 | |
| Основная погрешность измерения для частоты 50 Гц не более,% | 0,5 | |
| Нелинейность выходной характеристики, не более, % | 0,3 | |
| Номинальный выходной ток, мА | 4/20 | |
| Максимальный выходной ток, мА | 25 | |
| Пробивное напряжение вход-выход, кВ | 1 | |
| Напряжение питания, В | 9...36 | |
| Габаритные размеры, мм | 95х54х65 | |
| Масса, г | 210 | |
| Главная Карта сайта О фирме Контактная информация Библиотека Продукция |