НТЦ по электронным компонентам и современным технологиям. Autex SPb Мы с Вами еще не знакомы Автэкс СПб
   
    Главная страница       Карта сайта    О фирме       Контакты       Библиотека       Продукция   

AD1994. Аудиоусилитель класса D
Analog Devices

Купить:

(812) 252-01-40
(812) 252-18-18


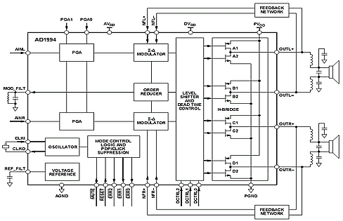
  AD1994 является 2-х канальным оконечным каскадом стереофонического аудио усилителя, класса D. На входе каскада установлены сигма-дельта модуляторы, преобразующие аналоговые сигналы в импульсы с широтной модуляцией, которые далее подаются на мощный полномостовой выходной каскад, управляющий аудио системой. Такая конфигурация устройства позволяет добиться выходной мощности на нагрузке до 6 Ом по 25 Вт на канал без применения внешних радиаторов охлаждения.
(Class-D Audio Power Amplifier - 2 x 25W)
Datasheet (454 kB)
Области применения:
  • современные телевизионные системы;
  • миниатютрные мультимедийные системы;
  • микрокомпоненты различного назначения.

    Дополнительно поставляется оценочная плата EVAL - AD1994EB
    и контроллер подключения плат к ПК EVAL-CONTROLBRD3.

  • AD1994. Блок-схема
    Технические параметры
    Коэффициент гармоник + шум < 0,005%
    Динамический диапазон 105дБ
    Выходная мощность на нагрузке 6 Ом при коэффициенте гармоник10% 2 х 25Вт
    Выходная мощность на нагрузке 3 Ом при коэффициенте гармоник10% (режим моно) 1 х 50Вт
    Сопротивление включенного выходного транзистора (одного) < 0.3Ом
    Коэффициент подавления перекрестной помехи > 65 дБ
    Промышленный диапазон температур (-40...+85)0С
    Подавление щелчков при включении / выключении
    Минимальная величина генерируемой помехи
    Защита по току короткого замыкания и температуре кристалла
    Корпус 64-выводной для всех модификаций (отсутствие сплавов свинца) LFCSP-64
    Остальные компоненты этого класса:
    ТИП Спецификация
    AD1990 стерео усилитель 2 х 5 Вт
    AD1992 стерео усилитель 2 х 10 Вт
        Главная    Карта сайта    О фирме    Контактная информация    Библиотека    Продукция   

    Автэкс СПб 1999
    Ленинградский геофизик 2004