НТЦ по электронным компонентам и современным технологиям. Autex SPb Мы с Вами еще не знакомы Автэкс СПб
   
    Главная страница       Карта сайта    О фирме       Контакты       Библиотека       Продукция   

ДНХ. Датчик измерения постоянного и переменного напряжения.
Датчики (измерительные преобразователи) предназначены для измерения постоянных, переменных и импульсных токов без разрыва цепи.

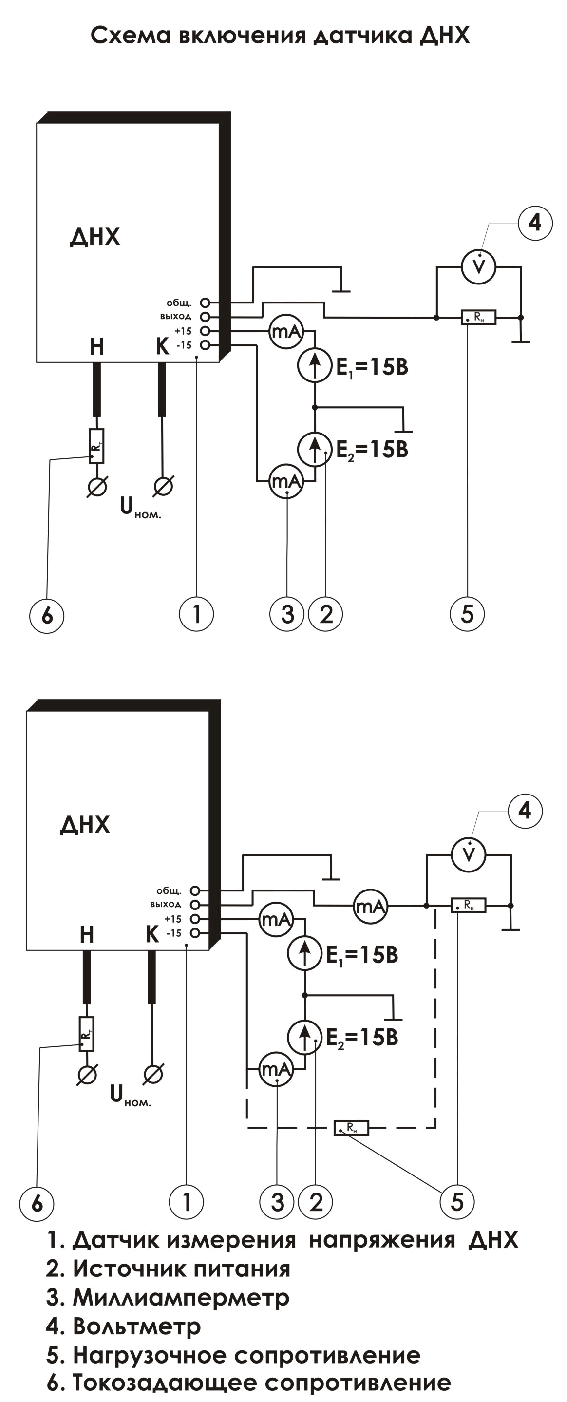
Техническая документация.   Схема подключения

Области применения:

  • ДНХ преобразует входное напряжение в выходной ток, пропорциональный мгновенному значению входного напряжения («линейный выход»).
  • ДНХ RMS преобразует входное напряжение в выходное напряжение, пропорциональное среднеквадратичному значению входного напряжения.
  • ДНХ 4/20 mA (0/20 mA) преобразует входное напряжение в выходной ток, согласно требованиям к стандартному интерфейсу «токовая петля 4/20 (0/20)», пропорциональный среднеквадратичному значению входного напряжения.

    Прайс

  • Основные технические характеристики:
    Характеристика ДНХ
    Диапазон измеряемых напряжений, В 50...600
    Входной номинальный ток, Iном, мА 10
    Выходной сигнал датчика, мА * 40
    Основная приведенная погрешность, не более, % 1
    Нелинейность выходной характеристики, не более, % 0,1
    Начальный выходной ток при нулевом измеряемом напряжении, мА 0,2
    Пробивное напряжение между измеряемой и измерительной цепями, не менее, кВ 4
    Напряжение питания, В ±15
    Ток потребления по цепи питания, не более, мА 50
    Габаритные размеры, мм 73,5х52,5х39
    Масса, г 100
        Главная    Карта сайта    О фирме    Контактная информация    Библиотека    Продукция   

    Автэкс СПб 1999
    Ленинградский геофизик 2004